
聯系電話:0516-87231118
錄入時間:2019-9-29 14:43:57

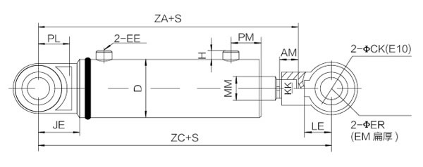
1、耳環連接

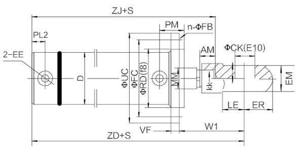
2、前法蘭連接

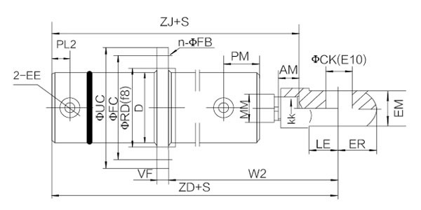
3、中部法蘭連接

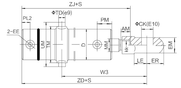
4、中部鉸軸連接
使用與維護
1、推薦使用純凈的20#~30#機油或3#錠子油,并在油路中不得有任何雜質。油溫在5°~65°范圍內正常工作。油液粘度規定為50℃時運動粘度為30厘沲或40沲。
2、液壓缸在工作前,必需在低壓(大于起動壓力)狀況下進行多次往復運動,排除缸內的氣體后進行正常工作。
3、折卸液壓缸時注意事項:
a、拆卸之前使液壓回路內的壓力降低為零。
b、拆卸時應防止損傷活塞桿頂端螺紋。
C、由于液壓缸結構和大小不同,拆即的順序也稍有不同。
一般應先松開端蓋的緊固螺栓。
內卡鏈式的卡鍵應用專用工具,法蘭式拆法蘭端蓋時必需用螺釘頂出,不允許錘打式硬撬。
在拆除活塞和活塞桿時不應硬性,從缸筒打出以免損傷缸筒內壁。
4、周圍環境的影響及處理意見
a、在風雨環境中,液壓缸表面途好防銹油漆。
b、在高溫作業環境中,應在液壓缸周圍設防熱裝置如石棉板等擋上。
C、在塵土較大的作業環境下,機構應考慮附加防塵罩等。
液壓缸的常見故障及排除方法
液壓缸在使用中,如發現有故障時,可參照下述方法維修。
